事例一覧↗︎
紙の重さと厚さと密度には密接な関係があります。
目的に応じて紙の厚さや強度を考えることが重要です。
坪量とは洋紙、及び板紙1m²当たりの重量のことです。「g/m²」で表示します。坪量は紙の重さに関する元となる数値です。米坪(べいつぼ)、メートル坪量などと呼ぶこともあります。国際的には連量ではなく坪量で表すことが一般的です。
ある規定の寸法に仕上げられた紙1,000枚のことを1連(1R)と呼びます(板紙の場合、100枚で1ボード連・1BR)。連量とは1連の紙の重量のことをいい、単位はkgで表示します。連量は紙の厚みを知るための目安ともなります。
同じ坪量の紙でも、寸法が大きくなれば、その分1,000枚(1連)の重さは重くなり、連量も大きくなります。
このように同じ坪量(同ベース)で、寸法が違うときは連量の数字は異なりますが紙の厚さは同じとなります。
※紙の連量を比較するときに、最も品数の多い四六判の連量表記にあわせることが多く、他の規格の連量を四六判ベースの連量に換算して比較することを四六判換算といいます。
※ 紙の連量を比較するときに、最も品数の多い四六判の連量表記にあわせることが多く、他の規格の連量を四六判ベースの連量に換算して比較することを四六判換算といいます。
紙の密度と束
紙の厚さは坪量、連量だけでなくその紙の密度(緊度)によっても変わります。また、紙の密度は、平滑性、不透明度、光沢度、腰、強度、紙くせなどの品質特性にも影響します。
紙の密度は主に、パルプの叩解度によって変化します。叩解を進めれば進めるほど繊維間の結合が進み締まった紙になり、紙の平滑度も増します。反対に、叩解度を低くすると繊維間の空隙率(くうげきりつ)が高くなり密度の低い、空気を含んだ厚みのあるふわっとした紙になります。
■ 同じ連量で密度が異なる紙の場合
たとえば四六判Y目110kgの紙の場合、トレーシングペーパーのような密度が高い紙とロベールのような密度が低い紙を比較すると、
同じ枚数を重ねた場合の厚みが大きく異なります。
たとえば四六判Y目110kgの紙の場合、トレーシングペーパーのような密度が高い紙とロベールのような密度が低い紙を比較すると、同じ枚数を重ねた場合の厚みが大きく異なります。
逆に、同じ厚みに揃えた場合、ロベールの枚数は少なくなりますが、両者を手に持って比較すると非常に軽やかな印象を与えます。
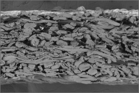
密度が高い紙
クラシコトレーシング-FSの断面
密度が低い紙
ロベールの断面
以上のように、紙の厚さは同じ連量でも密度によって異なります。
そのため、本をつくるときなどは「束見本」をつくって実際の仕上がりの厚み(束)がどれくらいになるかを調べることも必要です。
関連記事
記事
紙の密度をご存知?─重さと厚みの関係
四六判110kgといえば、四六判サイズの紙1000枚の重さが110kgの紙のこと。けれど、同じ四六判110kgの紙でも実のところ、厚さはそれぞれ異なります。その秘密を握っているのは「紙の密度」。今回は四六判110kgベースの紙を集めて、厚さと密度を比較してみました。密度の高低により、紙厚や断面の様子に大きな違いが生じます。
紙の寸法
紙の流れ目
その他の基礎知識
出力適正
紙の製造工程
紙と環境
環境に配慮した紙と
環境ラベル
紙の歴史
紙の用語集
当社では、当ウェブサイト(takeopaper.com)を快適にご利用いただくため、また、当サイトがどのように活用されているかを当社で詳しく把握するためにCookieを使用しています。「同意する」ボタンを押していただくか、引き続き当サイトをご利用いただいた場合、上記の条件に同意いただいたものと見なします。Cookieの取り扱いについては、「お客様の個人情報の取り扱いについて」にも記載されていますのでご参照ください。